Web Analytics
Str71x cdc communication port

Str71x cdc communication port

Automower (G2) über Homematic / WLAN steuern - Seite 15 - HomeMatic ...

STMicroelectronics STR71x Training MCD Application v1.2 \u2013 March ppt ...

Automower (G2) über Homematic / WLAN steuern - Seite 15 - HomeMatic ...

USER MANUAL USB-CAN CONVERTER SDK V1.03 P/N: AX070501SDK. USER ...

Troubleshooting Port Problems | Hardware Troubleshooting Techniques ...

Virtual Serial Port Driver - Download

1-day-arm-20071088 | Usb | Flash Memory

A novel analogue keyboard for embedded applications, based on ...

Virtual COM Port Driver - YouTube

Using Open Source Tools For STR7XX Cross Development

APPLICATION NOTE. Smart Card Reader Application with TDA8029 Mask 00 ...

1 Day Arm 2007

How to Set Up a Virtual COM Port Driver in Windows

USB firmware development now available for STR7 and STR9 MCUs - 7 ...

Products - 2/4 - XJTAG

Drivers y guia de instalacion para la impresora termica (tickets ...

Segger: Middleware and Stacks Overview | element14 | Technical Library

J-Link / J-Trace ARM - PDF

Modbus rtu pic | Term paper Help qmhomeworkvufs.skywall.me

IAR J-Link and IAR J-Trace - PDF

Cdpe6320 Candy Programing (005) | Electronics (89 views)

ABC Amber Text Converter - Electrical Computer ... courses/ee8205 ...

Segger: Middleware and Stacks Overview | element14 | Technical Library

برنامه\u200cنویسان، سیستم\u200cهای توسعه\u200cیافته بورد\u200cهای ارزیابی - تو کار - MCU ...

영순이의 STM32 :: STM32의 제품군과 관련자료

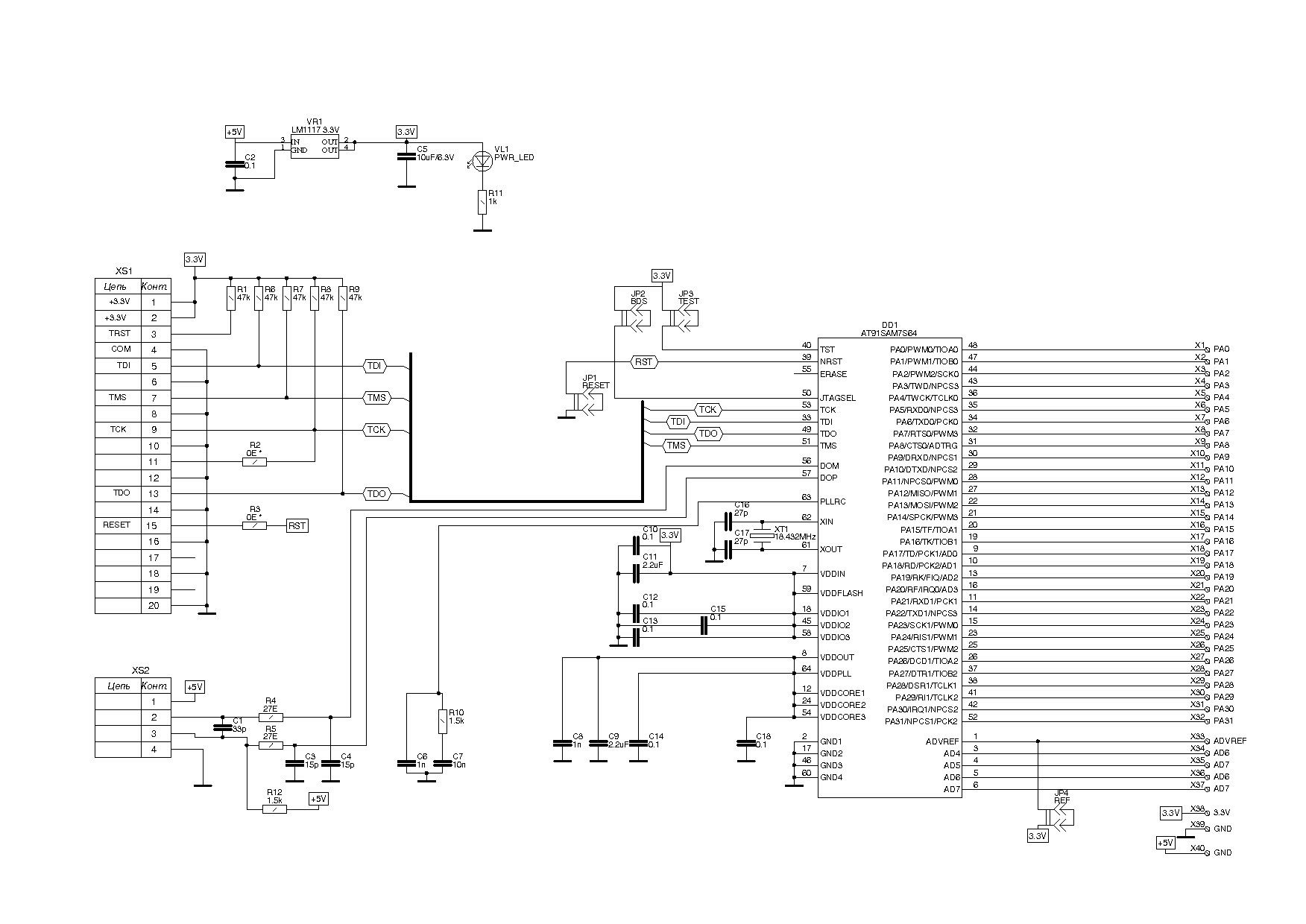
Husqvarna 305 (G3) an IPS

MCU Tools Third Parties - STMicroelectronics

Drivers y guia de instalacion para la impresora termica (tickets ...

FreeRTOS - the small footprint professional grade free RTOS ports ...

pandapilot/ReleaseNotes at master · navstik/pandapilot · GitHub

영순이의 STM32 :: STM32의 제품군과 관련자료

FreeRTOS - the small footprint professional grade free RTOS ports ...

ICs for Power Management C 1. Analogue ICs C 4. Digital ICs C 13 ...

ARM: \

Drivers y guia de instalacion para la impresora termica (tickets ...

MCU Design Third Parties - STMicroelectronics

AVR ATMega8/16/32/128/168/169 - FreeMODBUS - SILA

ACR1283L Standalone Contactless Reader - PDF

nexp :: \u0027[ST_MICRO]/STM32\u0027 카테고리의 글 목록 (3 Page)

FreeRTOS - the small footprint professional grade free RTOS ports ...

Segger: Middleware and Stacks Overview | element14 | Technical Library

ARM: \

Reverse engineering smart cards - PDF

MCP1702 datasheet - The MCP1702 is a CMOS low dropout positive voltage

NuttX - WikiVisually

AT91SAM7X-EK开发套装(配Multi-ICE) - ATARM开发板- Mcuzone 网上商店

Universal Serial Bus Device Class Specification for USB Chip/Smart ...

Drivers y guia de instalacion para la impresora termica (tickets ...

Download file %Radio ESP8266.rar% from thread %Prosty odtwarzacz ...

AT91SAM7X-EK开发套装(配Multi-ICE) - ATARM开发板- Mcuzone 网上商店

برنامه\u200cنویسان، سیستم\u200cهای توسعه\u200cیافته بورد\u200cهای ارزیابی - تو کار - MCU ...

ARM: \

CMP Annual Report PDF

Cartes fpga | Hellopro.fr

برنامه\u200cنویسان، سیستم\u200cهای توسعه\u200cیافته بورد\u200cهای ارزیابی - تو کار - MCU ...

NuttX | Revolvy

nexp :: \u0027분류 전체보기\u0027 카테고리의 글 목록 (109 Page)

ARM: \

Outils et accessoires pour CI

A Primer: ARM Trace. Including: ETM, ETB and Serial Wire Viewer ...

ACR1283L Standalone Contactless Reader - PDF

레오콤 한국 블로그 - www.leocom.kr :: 2015/01/06 글 목록 (11 Page)

ARM: \

Embedded Software Components 2007 Product Catalog - PDF

nuttx-k64f/NuttX.html at master · jmacintyre/nuttx-k64f · GitHub

برنامه\u200cنویسان، سیستم\u200cهای توسعه\u200cیافته بورد\u200cهای ارزیابی - تو کار - MCU ...

Universal Serial Bus Device Class Specification for USB Chip/Smart ...

구차니의 잡동사니 모음 :: 태그 목록

A Primer: ARM Trace. Including: ETM, ETB and Serial Wire Viewer ...

برنامه\u200cنویسان، سیستم\u200cهای توسعه\u200cیافته بورد\u200cهای ارزیابی - تو کار - MCU ...

ACR1283L Standalone Contactless Reader - PDF

영순이의 STM32 :: \u0027전체\u0027 카테고리의 글 목록

Husqvarna 305 (G3) an IPS

USER MANUAL USB-CAN CONVERTER SDK V1.03 P/N: AX070501SDK. USER ...

영순이의 STM32 :: \u0027전체\u0027 카테고리의 글 목록

Embedded Software Components 2007 Product Catalog - PDF

UM0290 User manual STR7 STR9 USB developer kit_学习资料共享网

Universal Serial Bus Device Class Specification for USB Chip/Smart ...

Microsoft PowerPoint - Getting Started with IAR C for ARM _.ppt - PDF

영순이의 STM32 :: \u0027전체\u0027 카테고리의 글 목록

ACR1283L Standalone Contactless Reader - PDF

FreeMODBUS : 네이버 블로그

UM0290 User manual STR7 STR9 USB developer kit_学习资料共享网

영순이의 STM32 :: \u0027전체\u0027 카테고리의 글 목록

Embedded Software Components 2007 Product Catalog - PDF

Husqvarna 305 (G3) an IPS

Universal Serial Bus Device Class Specification for USB Chip/Smart ...

Virtual Serial Port Driver - Tạo cổng nối tiếp ảo - Download.com.vn

영순이의 STM32 :: \u0027전체\u0027 카테고리의 글 목록

Universal Serial Bus Device Class Specification for USB Chip/Smart ...

UM0290 User manual STR7 STR9 USB developer kit_学习资料共享网

ACR1283L Standalone Contactless Reader - PDF

Комплекты Разработчика Встроенных Систем - Основна - Компонентс Ру ...

Комплекты Разработчика Встроенных Систем - Основна - Компонентс Ру ...

Yoyote madereva unahitaji!

A Primer: ARM Trace. Including: ETM, ETB and Serial Wire Viewer ...

UM0290 User manual STR7 STR9 USB developer kit_学习资料共享网

영순이의 STM32 :: STM32의 제품군과 관련자료

RTOS. Real Time Operating System. Teori \u0026 Aplikasi. Wisnu Jatmiko ...

Комплекты Разработчика Встроенных Систем - Основна - Компонентс Ру ...